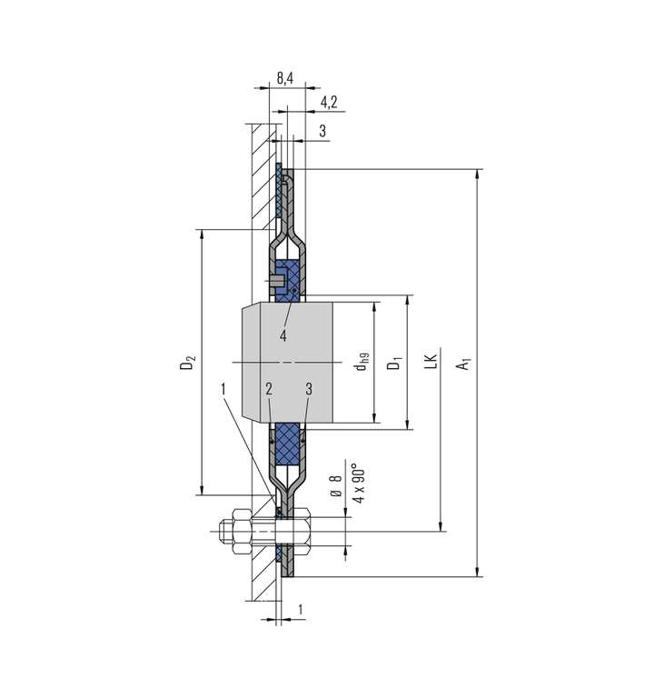
Pos. Benennung
1 Flachdichtung
2 Gehäusehälfte
3 Gehäusehälfte
4 Dichtring

Espey WKA3

Merkmale

  • Cartridge-Dichtung
  • Standardisierte Abmessungen
  • Geringe axiale Einbaulänge (8,4 mm)
  • Trockenlaufend
  • Dichtring folgt radialen Wellenauslenkungen
  • Kompensiert axiale Wellenauslenkungen
  • Keine Dichtungskomponenten werden auf der Welle montiert - zusätzliche Wellenschwingungen werden dadurch verhindert
  • Berührungsfreier Lauf der Dichtringe - keine zusätzliche Reibleistung und somit Energieaufnahme für die Maschine
  • Einteiliger Dichtring (Erstausrüstung)

Vorteile

  • Einfachste Montage und Demontage
  • Hohe Betriebssicherheit
  • Wartungsfreundlichkeit
  • Hohe Laufzeit
  • Alternative zum Radialwellendichtring

Einsatzbereich

Wellendurchmesser:
d = 28 ... 80 mm (1,10" … 3,15")
Betriebsdruck: p = 1,075 bar (16 PSI) abs.
Betriebstemperatur: t = max. +200 °C (392 °F)
Gleitgeschwindigkeit:
vg = max. 40 m/s (131 ft/s)
Radialspiel: ±2,0 … 4,0 mm (±0,08" … 0,16")
Axialbewegung: theoretisch unendlich

Werkstoffe

Dichtring: PTFE-Compound
Gehäuse: 1.4301
Zugfeder: 1.4571

Standards und Freigaben

  • FDA

Ähnliche Produkte

Espey Magna500+ die Großdichtung ab 500 mm

  • Geteiltes Gehäuse
  • Segmentierte und selbstjustierende Dichtringe
  • Praktisch wartungs- und verschleißfrei
  • Trockenlaufend
  • Horizontal und vertikal einsetzbar

Espey WD200

  • Geteiltes Gehäuse
  • Mehrteiliger Dichtring, radial geschnitten
  • Sehr geringer Betriebsspalt - geringe Leckage
  • Trockenlaufend
  • Selbstjustierende Dichtringe
  • Dichtringe folgen radialen Wellenauslenkungen
  • Kompensiert axiale Wellenauslenkungen
  • Keine Dichtungskomponenten werden auf der Welle montiert - zusätzliche Wellenschwingungen werden dadurch verhindert
  • Berührungsfreier Lauf der Dichtringe - keine zusätzliche Reibleistung und somit Energieaufnahme für die Maschine

Espey WD200/500

  • Mehrteilige Dichtringe, in der Regel prozessseitig radial geschnitten, atmosphärenseitig überlappt verzapft mit gasdichten Stößen
  • Geteiltes Gehäuse
  • Geringstmöglicher Betriebsspalt - Dichtringe gleiten auf der Welle
  • Überlappt verzapfte Dichtringe
  • Trockenlaufend
  • Selbstjustierende Dichtringe
  • Dichtringe folgen radialen Wellenauslenkungen
  • Kompensiert axiale Wellenauslenkungen
  • Axial kurzbauend
  • Keine Dichtungskomponenten werden auf der Welle montiert - zusätzliche Wellenschwingungen werden dadurch verhindert
Kontakt

Individuelle Lösung anfragen

Wir entwickeln und produzieren kundenspezifische Sonder- und Einzellösungen für jeden Anwendungsfall.

Experte kontaktieren Referenzprojekte anzeigen
Zurück zur Übersicht